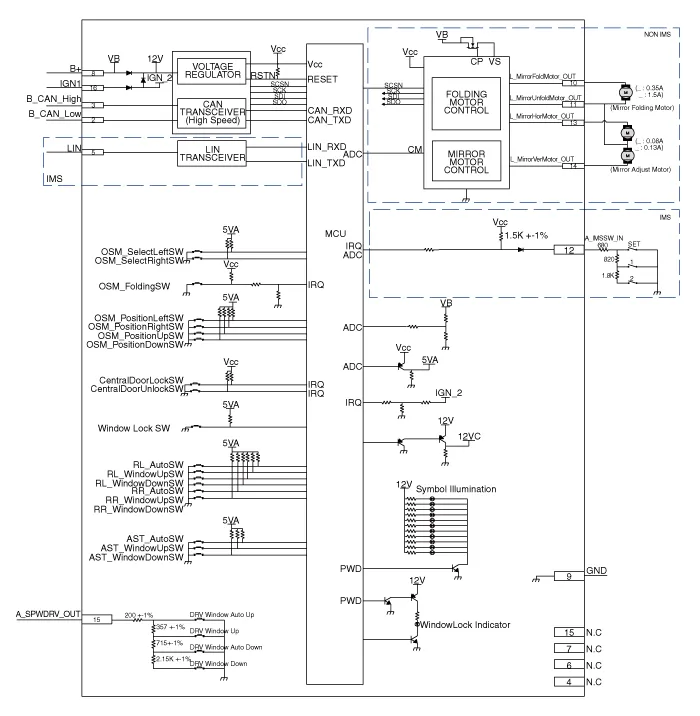
| Circuit Diagram |


Component Location 1. Power door mirror 2. Power door mirror switch 3. Power folding mirror switch
Removal 1. Disconnect the negative (-) battery terminal. 2. Remove the front left door trim.
Inspection 1. Measure the resistance between the terminals. 2. The measured resistance is not within specification, the blower resistor must be replaced. (After removing the resistor) Replacement 1.