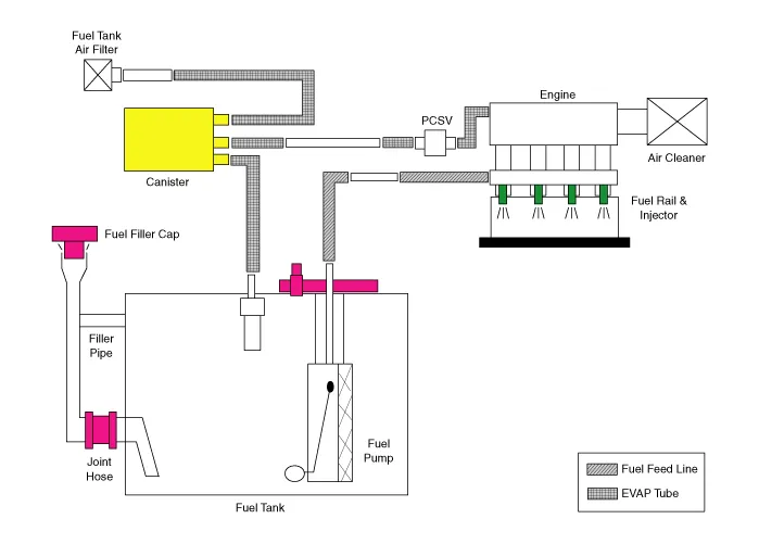
Hyundai Santa Fe (TM): Evaporative Emission Control System / Schematic diagrams

Canister
Canister is filled with charcoal and absorbs evaporated vapor in fuel tank.
The gathered fuel vapor in canister is drawn into the intake manifold by the
ECM/PCM when appropriate conditions are set.
Purge Control Solenoid Valve (PCSV)
Purge Control Solenoid Valve (PCSV) is installed in the passage connecting canister
and intake manifold. It is a duty type solenoid valve and is operated by ECM/PCM
signal.
To draw the absorbed vapor into the intake manifold, the ECM/PCM will open the
PCSV, otherwise the passage remains closed.
Fuel Filler Cap
A ratchet tightening device on the threaded fuel filler cap reduces the chances
of incorrect installation, which would seal the fuel filler. After the gasket
on the fuel filler cap and the fill neck flange contact each other, the ratchet
produces a loud clicking noise indicating the seal has been set.
Description
Evaporative Emission Control System prevents fuel vapor stored in fuel tank
from vaporizing into the atmosphere. When the fuel evaporates in the fuel tank,
the vapor passes through vent hoses or tubes to the canister filled with charcoal
and the canister temporarily holds the vapor in the charcoal.
Removal
•
Be careful not to damage the parts located under the vehicle
(floor under cover, canister, fuel tank) when raising the vehicle
using the lift.
Other information:
Troubleshooting
1)
After replacing controller, always check that the system operates
properly.
2)
If the failure persists after replacing the controller, do not
replace th